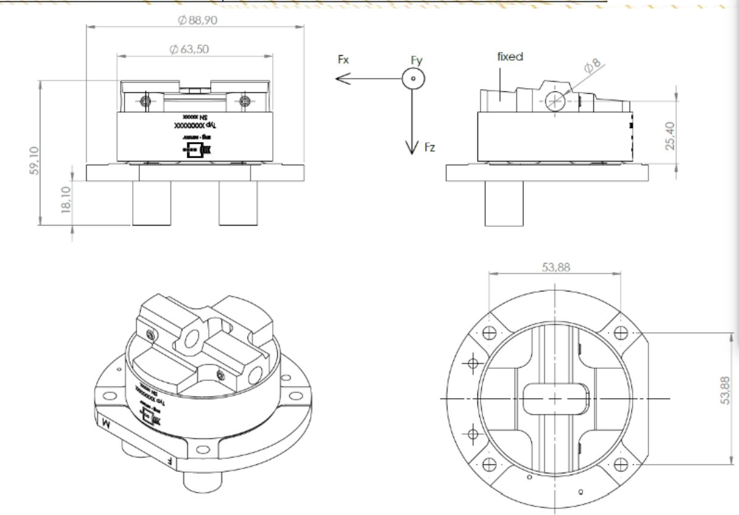
EUROSID,ES2 RE, ES1/ES2假人肩部力传感器,三轴Fx,Fy,Fz方向测量,等同于Denton型号3155,FTSS型号IF- 317,量程Fx=4KN,Fy=8KN ,Fz=4KN,非线性≤1%,重量260g。



Mg sensor GmbH 公司虽然成立短短两年时间, 但是已经通过了 ISO 9001:2008 的认证,并且其 产品得到德国 AMA(德国传感器技术协会)的认可。Mg sensor 主要提供汽车测试用应变力传感器,并有可以为客户量身定制各式力传感器。 公司拥有完善的研发体系和维修标定体系,其实验室通过了德国计量院的审定,可以为客户 提供各种力传感器的标定服务,可以维修各种品牌的传感器以及线缆、接头等附件。
“创新、”一直是 Mg sensor 的理念,公司在市场原有产品的基础上,开发出了新一代的汽车碰撞测试用传感器,保证在兼容上代产品的基础上,加强了电路的防干扰设计,加固 了传感器结构,对于易损的接头、线缆采用了更简便的维修更换方式,即使是未经过专业培训的客户也可以即学即会。
Mg sensor 相信“、安全、可靠”的传感器解决方案会赢得您的信赖。