

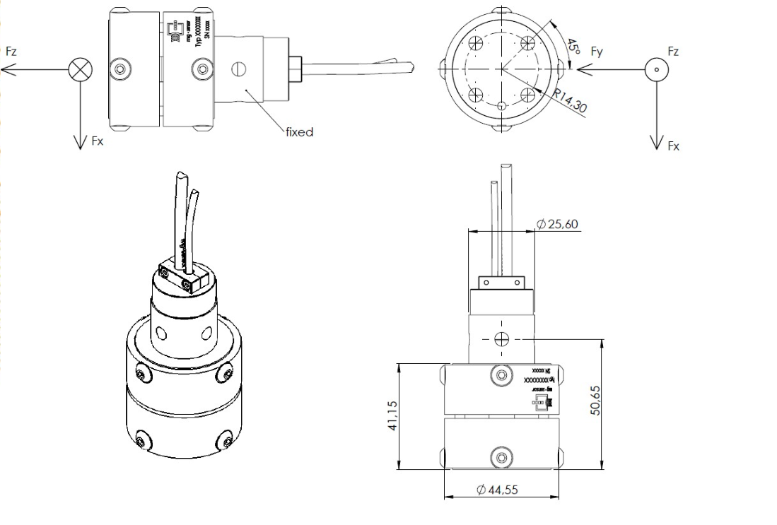
mg sensor 五轴胫骨 假人力传感器 N5AUA11A
mg sensor 五轴胫骨 假人力传感器 N5AUA11A

mg sensor 五轴胫骨 假人力传感器 N5AUA11A
适用假人:
H3-Family, FAA, SIDIIs, BioSID

Mg sensor GmbH 公司 已经通过了 ISO 9001:2008 的认证,并且其 产品得到德国 AMA(德国传感器技术协会)的认可。Mg sensor 主要提供汽车测试用应变力传感器,并有可以为客户量身定制各式力传感器。 公司拥有完善的研发体系和维修标定体系,其实验室通过了德国计量院的审定,可以为客户 提供各种力传感器的标定服务,可以维修各种品牌的传感器以及线缆、接头等附件。
“创新、”一直是 Mg sensor 的理念,公司在市场原有产品的基础上,开发出了新一代的汽车碰撞测试用传感器,在兼容上代产品的基础上,加强了电路的防干扰设计,加固 了传感器结构,对于易损的接头、线缆采用了更简便的维修更换方式,即使是未经过专业培训的客户也可以即学即会。
Mg sensor 相信“、安全、可靠”的传感器解决方案会赢得您的信赖。

版权所有 © 镇江嘉倍信息技术有限公司 未经许可 严禁复制 建议使用1024X768分辨率浏览本站